Diseño del sistema de transmisión de potencia oleohidraulica para la maquina moledora de ají de la empresa agroindustrias Famasa S.A.C.
| dc.contributor.advisor | Cruz Cabrera, Armando Tito | es_PE |
| dc.contributor.author | Ramos Cruz, Elmer Efrain | es_PE |
| dc.date.accessioned | 2017-12-27T21:41:41Z | |
| dc.date.available | 2017-12-27T21:41:41Z | |
| dc.date.issued | 2017-12-14 | |
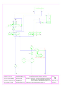
| dc.description.abstract | El presente trabajo de investigación tiene por objetivo diseñar un sistema de transmisión de potencia oleohidraulica, para la maquina moledora de ají de la empresa agroindustrias famasa s.a.c. la empresa no cuenta con un sistema que pueda levantar una determinada cantidad de ají, y posteriormente empujar esa carga hacia la maquina moledora de ají para su respectivo molido de ají. Para esto se diseñará un sistema de transmisión de potencia oleohidraulica, que tenga la capacidad de desarrollar fuerzas lineales a cualquier dirección. Se realizará el diagrama oleohidraulico utilizando las normas ISO 1219-1, para conocer el funcionamiento y los tipos de componentes oleohidráulicos, que tendrá el sistema de transmisión de potencia oleohidraulica. Se realizará el cálculo y selección de estos componentes oleohidráulicos, dentro de los componentes seleccionados se tendrá dos cilindros oleohidráulicos, uno para realizar el levante de carga y el otro para el empuje de esa carga hacia la maquina moledora de ají. Se utilizara una bomba de desplazamiento volumétrico variable, que ofrecerá menores perdidas de potencia a diferencia de las bombas de desplazamiento volumétrico fijo, con este sistema de transmisión se reducirá el tiempo en realizar el molido de ají, obtenido mayor productividad y menor personal de trabajo para la realización del molido de ají, mejorando los beneficios económicos de la empresa agroindustrias famasa s.a.c. | es_PE |
| dc.description.uri | Tesis | es_PE |
| dc.format | application/pdf | es_PE |
| dc.identifier.uri | https://repositorio.unap.edu.pe/handle/20.500.14082/6025 | |
| dc.language.iso | spa | es_PE |
| dc.publisher | Universidad Nacional del Altiplano. Repositorio Institucional - UNAP | es_PE |
| dc.publisher.country | PE | es_PE |
| dc.rights | info:eu-repo/semantics/openAccess | es_PE |
| dc.rights.uri | https://creativecommons.org/licenses/by/4.0/deed.es | es_PE |
| dc.source | Universidad Nacional del Altiplano | es_PE |
| dc.source | Repositorio Institucional - UNAP | es_PE |
| dc.subject | Mecánica | es_PE |
| dc.subject | Sistema de transmisión de energía | es_PE |
| dc.title | Diseño del sistema de transmisión de potencia oleohidraulica para la maquina moledora de ají de la empresa agroindustrias Famasa S.A.C. | es_PE |
| dc.type | info:eu-repo/semantics/bachelorThesis | es_PE |
| renati.discipline | 713076 | es_PE |
| thesis.degree.discipline | Ingeniería Mecánica Eléctrica | es_PE |
| thesis.degree.grantor | Universidad Nacional del Altiplano. Facultad de Ingeniería Mecánica Eléctrica, Electrónica y Sistemas | es_PE |
| thesis.degree.level | Título Profesional | es_PE |
| thesis.degree.name | Ingeniero Mecánico Electricista | es_PE |
Archivos
Bloque original
1 - 5 de 8
Cargando...
- Nombre:
- Ramos_Cruz_Elmer_Efrain.pdf
- Tamaño:
- 4.66 MB
- Formato:
- Adobe Portable Document Format
- Descripción:
Cargando...
- Nombre:
- plano 1.pdf
- Tamaño:
- 103.76 KB
- Formato:
- Adobe Portable Document Format
- Descripción:
Cargando...
- Nombre:
- plano 2.pdf
- Tamaño:
- 102.44 KB
- Formato:
- Adobe Portable Document Format
- Descripción:
Cargando...
- Nombre:
- plano 3.pdf
- Tamaño:
- 102.81 KB
- Formato:
- Adobe Portable Document Format
- Descripción:
Cargando...
- Nombre:
- plano 4.pdf
- Tamaño:
- 109.95 KB
- Formato:
- Adobe Portable Document Format
- Descripción:
Bloque de licencias
1 - 1 de 1
No hay miniatura disponible
- Nombre:
- license.txt
- Tamaño:
- 1.3 KB
- Formato:
- Item-specific license agreed upon to submission
- Descripción: